Drucken

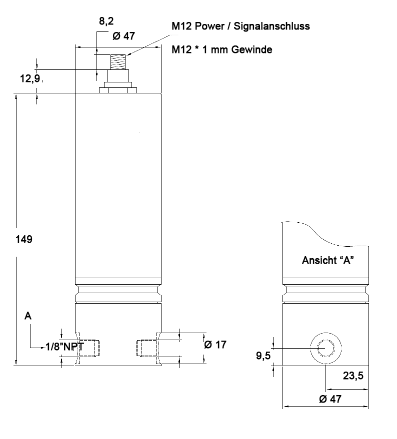
OEM SenzTx - Durchflusskammer

senztx kammer